ШИНОРЕМОНТНІ МАТЕРІАЛИ ОБЛАДНАННЯ ТА ІНСТРУМЕНТ ДЛЯ СТО
-
Київстар
-
Київстар
-
Vodafone
| ПН-ПТ: | 09:00 -18:00 |
| СБ-НД: | вихідний |
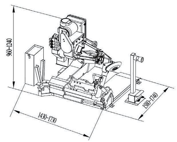
Шиномонтажний верстат SM 32T
Універсальний напівавтоматичний шиномонтажний верстат для коліс вантажівок і автобусів 13"-27"
Універсальний електрогідравлічний шиномонтажний пристрій для коліс вантажівок і автобусів з максимальним діаметром 1600 мм і максимальною шириною 780 мм. Напівавтоматичний, з двошвидкісним гідравлічним патроном і пересувним блоком управління з тросом проти здавлювання.
ГІДРАВЛІЧНИЙ ПАТРОН
Гідравлічний патрон з двома швидкостями обертання, з 5 різними положеннями фіксації обода.
КРОНШТЕЙН ТРИМАЧА ІНСТРУМЕНТУ
Підйом руки та обертання інструментів (диска/гака) здійснюється вручну.
ТРИМАЧ ІНСТРУМЕНТА
Ручне поступальне переміщення каретки тримача інструменту з трьома різними робочими положеннями, що забезпечує більшу швидкість виконання операцій.

| Гідравлічний патрон з двома швидкостями обертання, з 5 різними положеннями фіксації | Ручний підйом і переміщення плеча тримача інструменту | Ручне поступальне переміщення каретки тримача з трьома різними робочими положеннями |
| діапазон затиску | 13" - 27" |
| максимальний діаметр колеса | 1600 мм |
| максимальна ширина колеса | 780 мм |
| максимальна вага колеса | 1500 кг |
| зусилля бортовіджиму | 1865 кг |
| трифазний двигун | 1,5 кВт |
| самоцентруючий двигун шпинделя | 1,3 - 1,8 кВт |
| експлуатаційний тиск | 0 - 130 бар |
| джерело живлення | 380 В / 50 Гц |
| розміри упаковки | 1500 х 1600 х 1050 мм |
| вага брутто | 630 кг |
СТАНДАРТНА КОМПЛЕКТАЦІЯ
Коротка та довга монтажка
ДОДАТКОВІ АКСЕСУАРИ
Кільцевий захисний обід 281 мм для легкосплавного диска 22,5 дюйма - артикул 46MB501031
Струбцина для легкосплавних дисків - артикул 42MB500232
Набір із 4 щитків для захисту легкосплавних дисків - артикул 46MB203916
- БЕЗКОШТОВНО в межах Києва, Дніпра, Харкова, Львова, Одеси;
- самовивіз зі складу (контакти);
- кур'єрські служби: Нова Пошта/Делівері/SAT.
Для відправки в інші регіони ми користуємося такими компаніями-перевізникам:
- Нова Пошта
- Делівері
- SAT
Як правило, відвантаження проводиться день в день, а це означає, що вже на наступний день Ви зможете отримати товар в зручному для Вас представництві.
У сервісних центрах компанії "АВТОМАШТЕХ" працюють кваліфіковані інженери з вищою освітою. Ми регулярно відправляємо наших співробітників на навчання в компанії-виробники для вивчення особливостей обслуговування того чи іншого обладнання.
Послуги сервісного центру:
- обслуговування та ремонт обладнання в гарантійний термін;
- обслуговування та ремонт обладнання в післягарантійний термін;
- прорахунок і установка повітряних систем;
- підбір та продаж запчастин на обладнання;
- надання рекомендацій по розміщенню обладнання.
|
м. Київ |
|
| м.Дніпро вул. Велика Діївська.52 тел.: (+38 067) 538-70-14; GPS координати: 48.4759497,34.909491. e-mail:dnepr@tiptop.com.ua |
|
| м.Львів вул. Хімічна, 4 тел.: (+38 067) 240-03-60; GPS координати: 49.8546487,24.0243043,17 e-mail: lviv.lviv@tiptop.com.ua |
|
|
м. Харків
пр-т.Героїв Харкова.199 тел.: (38 067) 693-13-57;
GPS координати: 49.9770534,36.2952883 e-mail: kharkov@tiptop.com.ua |
Ціни:
Вартість послуг сервісного центру договірна. Для уточнення, зв'язуйтеся з нашими представництвами.
Зверніть увагу на те, що гарантія, яка надається нашою компанією, не поширюється на електричну частину обладнання, яке підключено до електричної мережі без стабілізатора і аналізатора фаз!
Залиште свій номер і ми Вам зателефонуємо
Про цей товар поки немає відгуків