Гальмівний стенд HFBDW 18/40-4WD

Опис Відгуки Доставка і оплата Cервіс

Роликовий гальмівний тестер для комерційного транспорту

Підходить для діагностичного вимірювання гальм і для періодичного технічного огляду комерційних транспортних засобів, вантажівок і автобусів з навантаженням на вісь до 13 тонн / 18 тонн. Розділений механічний блок має вбудовані електронні блоки живлення. Рекомендується установка на оглядову яму. Комплекти роликів оснащені тензодатчиками для вимірювання гальмівної сили та спеціальними датчиками для виявлення пробуксовки коліс. Вимірювання навантаження на вісь. Обладнання та вимірювання контролюються програмним забезпеченням тестової смуги Energoline®.

Вимірювання гальм категорій M2, M3, N2, N3, O3, O4, T
Рекомендується встановлення котловану
Оптимальне використання простору: редуктори розташовані під роликами
Піднятий механічний блок для вимірювання причепів, напівпричепів, груп осей
Вимірювальна електроніка на основі CAN-системи
Вимірювання гальм у залежності від часу, тиску в пневматичних гальмах або зусилля на педалі
Допомога при виїзді з обертовими роликами
Вимірювання гальм 4WD (опція)
Вимірювання навантаження на вісь для визначення ефективності гальм

     

максимальне навантаження на вісь для вимірювання 13 / 18 тонн
діапазон вимірювання осьового навантаження 0 - 13 / 0 - 18 тонн
точність вимірювання навантаження на вісь ± 1%
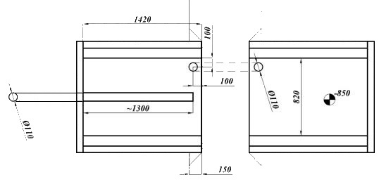
мінімальна ширина колії 850 мм
максимальна ширина колії 3050 мм
діаметр ролика 227 мм
довжина ролика 1100 мм
висота заднього ролика 50 мм
роликова поверхня корунд на основі епоксидної смоли
тертя роликів (сухе / вологе) 0,8 / 0,6
швидкість вимірювання (вантажні / легкові) 2,18 / 2,41 км/г
діапазон вимірювань гальмівного зусилля (вантажні / легкові) 0 - 30 / 0 - 40 кН
точність вимірювань гальмівного зусилля ± 1%
діапазон виміру тиску в пневматичних гальмах 0 - 10 бар
точність вимірювання тиску в пневматичних гальмах ± 1%
потужність приводу 2 х 9,2 / 2 х 11 кВт
джерело живлення 380 В / 50 Гц
запобіжник 3 х 50 / 3 х 63 А
установчі розміри фундаменту 3440 х 1140 х 850 мм
захист від корозії оцинкований

 

Стандартна комплектація поставки
Лівий і правий механічний блок з вбудованим електронним блоком живлення
Кнопка аварійної зупинки
Комп'ютерний інтерфейс RS232
Монтажна рама для бетонної основи

Додаткові аксесуари
Монтажна рама (артикул 32118)
Бездротовий пульт дистанційного керування (артикул 63996)
Бездротовий пульт дистанційного керування з дисплеєм (артикул 25513)
Бездротовий пульт дистанційного керування з дисплеєм і вимірником зусилля педалі (артикул 11729)
Базове програмне забезпечення для гальмівних тестерів Energoline® 5 (артикул 64081)
Додатковий програмний модуль для вимірювання навантаження на вісь Energoline® 5 (артикул 64082)
Додатковий програмний модуль для спеціального приводного блоку живлення Energoline® 5 (артикул 64083)
Комп'ютерний кабінет для роликових гальмівних стендів з автономним блоком живлення (артикул 11725)

Необхідні підготовчі роботи перед установкою (виконуються замовником)
Підготовка бетонної основи / фундаменту
Підготовка до електромонтажу (основне живлення)
Підготовка трас для електричних кабелів

Відгуки покупців про Гальмівний стенд HFBDW 18/40-4WD

Про цей товар поки немає відгуків

  • БЕЗКОШТОВНО в межах Києва, Дніпра, Харкова, Львова, Одеси;
  • самовивіз зі складу (контакти);
  • кур'єрські служби: Нова Пошта/Делівері/SAT.
Доставка в межах Києва, Дніпра, Львова, Харкова та Одеси здійснюється безкоштовно.

Для відправки в інші регіони ми користуємося такими компаніями-перевізникам:
  • Нова Пошта
  • Делівері
  • SAT
Якщо є необхідність скористатися іншим перевізником, уточнюйте таку можливість у наших менеджерів.

Як правило, відвантаження проводиться день в день, а це означає, що вже на наступний день Ви зможете отримати товар в зручному для Вас представництві.
 

У сервісних центрах компанії "АВТОМАШТЕХ" працюють кваліфіковані інженери з вищою освітою. Ми регулярно відправляємо наших співробітників на навчання в компанії-виробники для вивчення особливостей обслуговування того чи іншого обладнання.

Послуги сервісного центру:

  • обслуговування та ремонт обладнання в гарантійний термін;
  • обслуговування та ремонт обладнання в післягарантійний термін;
  • прорахунок і установка повітряних систем;
  • підбір та продаж запчастин на обладнання;
  • надання рекомендацій по розміщенню обладнання.

м. Київ 
вул Гарматна, 9
тел.: +380 (67) 403-56-97
service@tiptop.com.ua
GPS координати:50.455429, 30.404905

м.Дніпро
вул. Велика Діївська.52
тел.: (+38 067) 538-70-14;
GPS координати: 48.4759497,34.909491.
e-mail:dnepr@tiptop.com.ua

м.Львів
вул. Хімічна, 4
тел.: (+38 067) 240-03-60;
GPS координати: 49.8546487,24.0243043,17
e-mail: lviv.lviv@tiptop.com.ua

м. Харків
пр-т.Героїв Харкова.199
тел.: (38 067) 693-13-57;
GPS координати: 49.9770534,36.2952883
e-mail: kharkov@tiptop.com.ua

Ціни:

Вартість послуг сервісного центру договірна. Для уточнення, зв'язуйтеся з нашими представництвами.

Зверніть увагу на те, що гарантія, яка надається нашою компанією, не поширюється на електричну частину обладнання, яке підключено до електричної мережі без стабілізатора і аналізатора фаз!